
電話:0769-85189162 26980325
傳真:0769-81610656
郵箱:leesun@leesuncn.com
sales@leesuncn.com
地址:廣東省東莞市南城區第一國際百安中心B座303室
LTC-212通過編碼器或接近開關演算卷材的半徑變化,自動調整張力輸出值,對卷材進行恒張力或錐度張力的控制。
根據磁粉離合器/制動器在低轉矩時非線性的特征,特有轉矩補償功能,使張力曲線更為平坦。系統結構簡單實用,穩定可靠,適用于各種卷材的收/放卷控制。
1、可手動/自動工作
2、可調的磁粉制動器/離合器轉矩補償
3、只需設定3個簡單的參數即可工作
4、可連接編碼器或接近開關
5、可儲存9組不同材料的參數
6、自動演算卷材半徑
7、恒張力/錐度張力控制
8、輸出0-24V/4A,過流自動保護
9、自動記憶系統所有參數和狀態
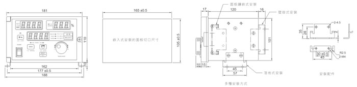
安裝規格

接線圖